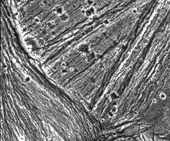
Billeder af høj opløsning fra Galileo-sonden

Den 27. juni passerede NASAs Galileo-sonde efter planen tæt forbi Jupiters måne Ganymedes. Under passagen forestog Galileo en lang række målinger og optog billede af den store månes overflade i stor detaljerigdom.

Ganymedes er Solsystemets største måne og kredser meget naturligt om Solsystemets største planet. Jupiter er større end alle de andre planeter tilsammen og vejer også mere end alle de andre til sammen. Så Jupiter er planeten i Solsystemet og det er derfor naturligt at beskæftige sig med denne planet og dens måner i et forsøg på at forstå Solsystemets tilblivelse og udvikling.

For nogle måneder siden kom den overraskende melding, at den inderste af månerne, Io, var i besiddelse af en tung jernkerne. Da sonden passerede Io, blev dens bane afbøjet ganske kraftigt, fordi Io var i besiddelse af et væsentlig kraftigere tyngdefelt, end man havde forestillet sig. Et tilhørende magnetfelt blev også registreret.

Efter passagen af Ganymedes er det nu også blevet klart, at denne store måne ligeledes er i besiddelse af et magnetfelt, hvilket sandsynligvis stammer fra en delvist flydende jernkerne. Hvor stor og tung kernen er, skal beregninger af sondens baneændring snart afsløre.

Billederne, der blev frigivet sent om aftenen den 10. juli, er af en helt anden klasse end de velkendte Voyagerbilleder, vi blev præsenteret for først i 80'erne. Opløsningen er 70 gange bedre, og de rillede strukturer, man før så som kraterløse, viser sig at være oversået med gamle nedslagskratere og meget overraskende vidnesbyrd om vulkansk aktivitet. Dette faktum vender problemstillingen om månernes dannelseshistorie på hovedet, idet man forestillede sig, at de markante, parallelle riller i månens lyse områder, var frosne mudderbanker, der kunne ændre form, fordi Jupiters og de andre måners tyngdekraft giver varierende påvirkning af måneoverfladen. Nu viser de nye billeder i høj opløsning, at områderne er stærkt kraterdækkede, der skyldes meteornedslag i et omfang, der ligger milliarder af år tilbage i tiden. De finrillede strukturer, der visse steder kan minde om sporene efter en rive i en leret overflade, må være endnu ældre. At der også er vidnesbyrd om vulkansk aktivitet, hvor saltholdigt vand er kastet op på overfladen, hvor det er størknet som is, er også overraskende.

Der danner sig et billede af en planetlignende måne med en stor, delvist flydende jernkerne, måske en kappe af flydende saltholdigt vand og endelig en størknet skorpe, fyldt med km-høje riller af sammenpresset is- og stenmateriale. Et magnetfelt, der giver plads for et stort pæreformet område omkring månen, fyldt med ioniserede partikler. Galileosonden vender tilbage til Ganymedes allerede i begyndelsen af september for at se nærmere på disse interessante nyopdagelser. Billeder, hjemtaget i nat, er præsenteret på Tycho Brahe Planetarium fra og med den 11. juli.

Den 11. juli 1996 / Bjørn Franck Jørgensen



Denne side vedligeholdes af tycho@inet.uni-c.dk

Tilbage til Planetariets hjemmeside